Description:
Fallback switch is communication device that switches data between two master ports and one slave port. It is intended to connect one device (RTU) to two master devices (PC).
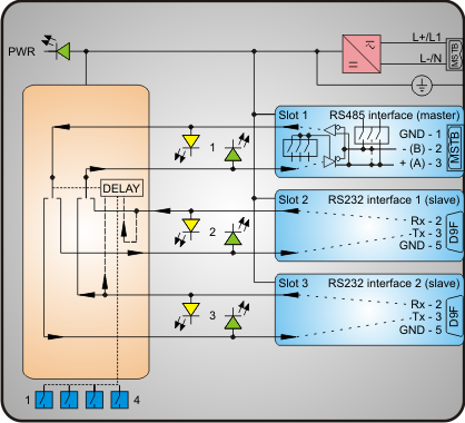
This device contains one RS485 and two RS232 interfaces, one slave and two master ports. When data comes to one master port, data is transferred to the slave port. Other master port is deactivated. At the same time timer starts. During timer delay, data from "first" master port are transferred to the slave port. Meanwhile other master port is not active. After timer elapses, deactivated master port is activated again. Slave port is connected to both master ports again. If data comes to both master ports simultaneously, master port 1 (physical port 2) has priority.
Switch time delay is set with switches at the bottom of the device. Possible timer settings are: no delay, 20 ms, 40 ms, 60 ms, 80 ms, 0,1 s, 0,2 s, 0,3 s, 0,4 s, 0,5 s, 1s, 1,2 s, 1,5 s, 2 s, 2,5 s, 5 s.
Wide power supply voltage allows connection to all common station batteries; 24 V DC, 48 V DC, 110 V DC, 125 V DC, 220 V DC. Additionaly it can be also connected to standard AC voltage; 230 V AC
This device is intended for use in cubicles and cabinets in all kinds of power production, transmission and distribution stations. It requires no maintenace. All normaly used connectors, switches and light indicators are accessed at the front side of the device. One light indicator indicates power supply voltage, others indicate communication transfer.
Application:
Schematic:
Downloads:
Port 1 |
Port 2 |
Port 3 |
Port 4 |
110 V-250 V, AC 230 V |
48 V-60 V DC |
24 V DC |
RS485 |
RS232 |
RS232 |
/ |
CMU 100 / 2.5.1.1 - 17 |
CMU 100 / 8.5.1.1 - 17 |
CMU 100 / 4.5.1.1 - 17 |
OTHER MODELS ALSO AVAILABLE. CONTACT US FOR MORE INFORMATION.


